產品分類一覽
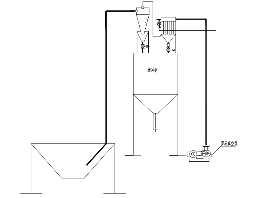
氣力輸送中負壓輸送與正壓輸送有什么不同?
中負壓輸送與正壓輸送有什么不同?告訴你
負壓輸送的優點:
優點 1,去料無粉塵,輸送無粉塵
2,適用于散狀,低洼處,破袋等輸送場合
3,在最末端,潤滑油,水分等不會混入
4,管道中呈現負壓真空狀態,不會泄露
5,空氣處理方便,適合于要求潔凈空氣輸送的場合
6,適用于有多處向一處集中輸送
正壓輸送的優點:
優點1, 輸送過程中氣體溫度可干燥物物料
2, 系統內部是正壓,物料易卸出
3, 管道中呈正壓狀態,系統連接處即使有縫隙外界大氣,雨 水也不會對管道中物料產生影響
4,相比負壓輸送,耗能要低,可輸送距離要長
負壓輸送的缺點:
缺點 1, 一般工作真空度小于0.06MPa,故輸送量和輸送
距離不能同時取得最大值
2, 相比于正壓輸送,負壓要比正壓耗大
3, 料氣分離前要設置性能可靠的分離和除塵裝置
4, 對分離器下的要求很高,密封不好泄露都
會造成系統不穩定
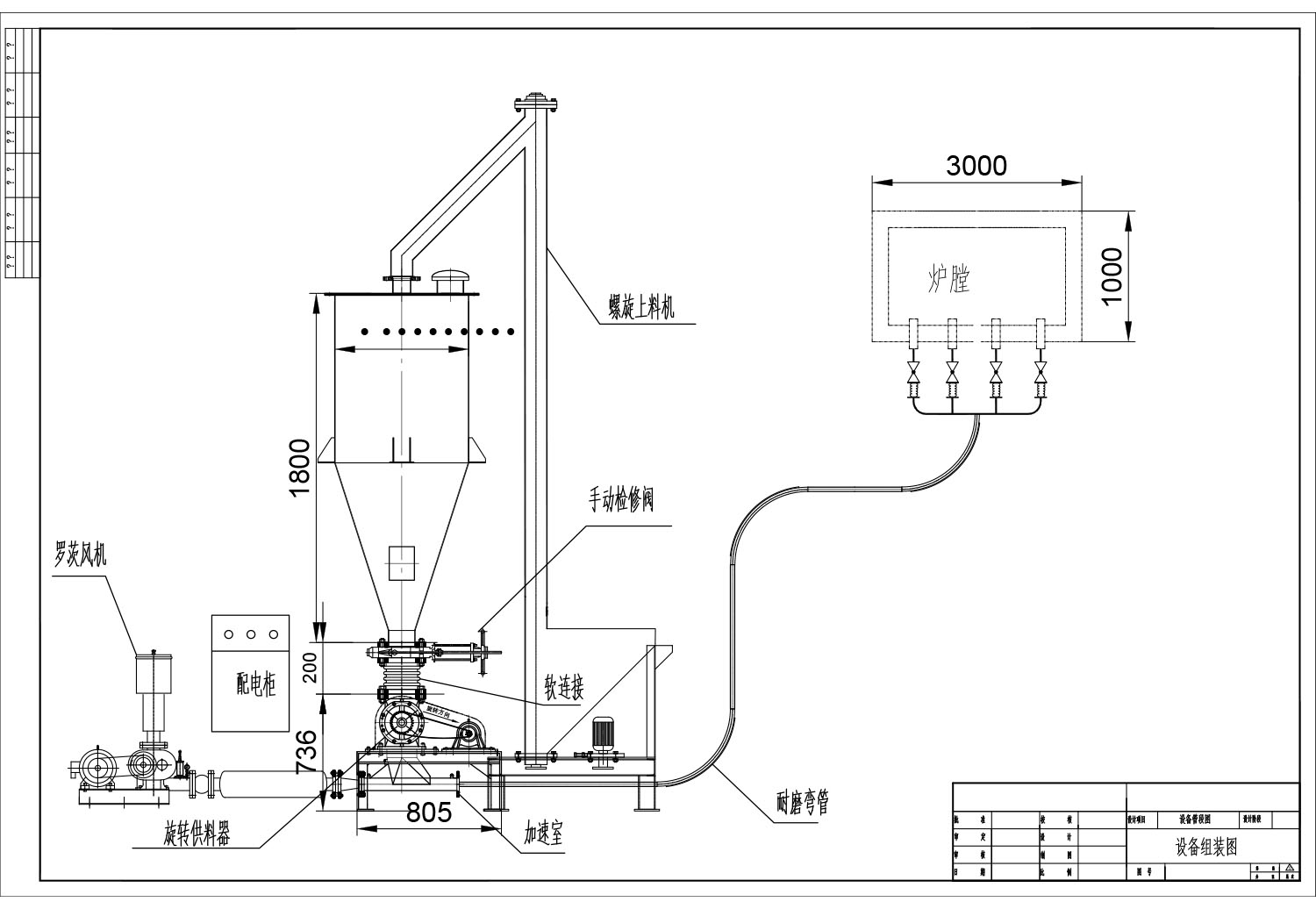
正壓輸送的優點:
1, 較吸送式要求高,應對被輸送物料的特性和輸送參數選擇和設計不同的供料裝置
2, 使用羅茨鼓風機為氣源時,壓力不能太高,故輸送距離有一定的限制,一般是≤300米
3,必須使用密閉性好的供料裝置
負壓輸送使用場合
1, 人工加料
2, 散狀物料,地面物料的取料
3, 開袋投料站物料輸送
4, 取料點高度受限的場合取料
5, 有毒物料輸送
6,多種出料口向一處輸送
正壓輸送使用場合
1, 大顆粒輸送
2,特殊氣體輸送
3,一般物料氣力輸送
上一篇:氣力輸送解決方案(水泥行業)
下一篇:粉體物料輸送的輸送量與什么有關?
